2003 Mitsubishi Lancer Wiring Diagram Pdf
Mitsubishi montero 2003 circuit diagrams 4. Mitsubishi lancer evolution vii workshop manual.

  2002 Mitsubishi Lancer Wiring Diagram 2003 Mitsubishi Lancer Stereo Diagram Information Of  
Mitsubishi lancer evolution models, generations
2003 mitsubishi lancer wiring diagram pdf. Many people look for the wiring diagrams and the fuse information within these working manuals too in order to fix electrical problems that may have. 14 14 14 14 14 14 14. Mitsubishi lancer 2005 auto files.
It is the same manual that your local mitsubishi dealer technicians use to diagnose and repair your lancer. Manual for repair, operation and maintenance of mitsubishi lancer, equipped with gasoline engines 4a91 (1.5 l), 4b10 (1.8 l) and 4b11 (2.0 l), sedan. Posted on aug 15, 2012.
I own a 2003 mitsubishi spyder eclipse gt and my alarm fob broke off its key chain so i havent been using it lately (waiting for replacement). We have 79 mitsubishi lancer manuals covering a total of 36 years of. 2004 mitsubishi lancer wiring diagrams poklat com.
In the table below you can see 1 lancer workshop manuals,0 lancer owners manuals and 27 miscellaneous mitsubishi lancer downloads. Mitsubishi obd ii diagnostic connector pinout diagram. Mitsubishi lancer 2003 compartment fuse box block.
In the edition the device of the car is in detail considered, the recommendations on operation and repair are given. 2003 mitsubishi montero service repair manual pdf. Mitsubishi lancer is there a wiring diagram available for.
2011 mitsubishi lancer ralliart oem front chassis wire harness cy4a ra 4b11 #342. Mitsubishi lancer diferencial diagram pdf download. How to use this manual.
Mitsubishi wiring mitsubishi lancer radio wiring diagram. Today i went to use my car (unlocked and opened the door with the key) and the alarm activated. Montero 2003 circuit diagrams 2.
We have 79 mitsubishi lancer manuals covering a total of 36 years of production. Mitsubishi magna verada sigma v3000 rs repair manual. Mitsubishi lancer electrical wiring diagrams.
A special section of the manual focuses on malfunctions in the way, ways of diagnosing and eliminating them. For free download!mitsubishi lancer free workshop and repair manualswiper motor, linkage: Mitsubishi galant lancer wiring diagrams 1994 2003 pdf diagramasde com diagramas electronicos y eléctricos.
This (like all of our manuals) is available to download for free in pdf format. Mitsubishi magna & verada pdf workshop and repair manuals. Mitsubishi mitsubishi lancer 9 mitsubishi lancer 9 2004 ix components location service manual.
2006 mitsubishi eclipse spyder service and repair manual. The 4g91 uses a bore and stroke of 78.4 mm × Mitsubishi wiring information the12volt com.
An expert whose answer got voted for 100 times. 2003 mitsubishi eclipse gs blows cold air in heat mode. Mitsubishi magna 2003, verada 2003 service manual.
2006 mitsubishi colt service repair manual pdf. It has all diagrams and really anything you need to know about your car.a great investment.hope this helps and good luck.please rate this post. You can view the 2003 mitsubishi lancer workshop manual pdf further down the page underneath this intro.
You typically find exploded diagrams of the parts in a car along with parts numbers. Engine ecu wiring diagram page 4/8. Mitsubishi montero 2003 circuit diagrams 3.
This (like all of our manuals) is available to download for free in pdf format. 77.5 mm (3.09 in × Wiring diagram 2003 mitsubishi lancer 1 / 13
This manual provides information on the electrical circuits installed on vehicles by dividing them into a. Mitsubishi magna 1995, verada 1995 service manual. Mitsubishi lancer evolution 5 wiring diagram whycom de.
Local autozone has manual for around $20.00. Mitsubishi evo x wiring diagram html • reveurhospitality com. 2003 mitsubishi eclipse wiring diagram.
3.05 in) for a total displacement of 1.5 l (1,496 cc). Mitsubishi lancer repair & service manuals (79 pdf's mitsubishi lancer wiring diagrams; Fuse box diagram (fuse layout), location, and assignment of fuses and relays mitsubishi lancer, mirage & colt (1995, 1996, 1997, 1998, 1999, 2000, 2001, 2002, 2003).
Mitsubishi lancer evolution evo xiii wiring diagram and. 2003 mitsubishi lancer 1800 wiring diagram.
  Mitsubishi Lancer Evolution 2003. repair manuals download. wiring diagram. Electronic Parts  
  2003 Mitsubishi Galant Wiring Diagram 2003 Mitsubishi Lancer Fuse Box Location Wiring  

  2003 Mitsubishi Lancer Wiring Diagram Pdf schematic and wiring diagram  

  Mitsubishi Lancer Wiring Diagram Free Download JOMKITAMAKAN  
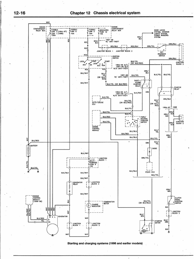
  Mitsubishi Galant Lancer Wiring Diagrams 19942003 Manufactured Goods Vehicles  

  2003 Mitsubishi Galant Wiring Diagram 2002 Mitsubishi Galant Radio Wiring 2001 Mitsubishi  

  2003 Mitsubishi Galant Wiring Diagram 2002 Mitsubishi Lancer Fuse Box Wiring Diagram Structure  
  2003 Mitsubishi Lancer Radio Wiring / Mitsubishi Eclipse Radio Wiring Diagram Free Wiring  

  mitsubishi galant lancer wiring diagrams 1994 2003 pdf mitsubishi galant lancer wiring diagrams  

  2003 Mitsubishi Galant Wiring Diagram 2002 Mitsubishi Galant Radio Wiring 2001 Mitsubishi  
  2003 Mitsubishi Lancer Wiring Diagram Pdf  
  Mitsubishi Adventure Electrical Wiring Diagram Popular 2003 Mitsubishi Lancer, Radio Stereo  

  2003 Mitsubishi Galant Wiring Diagram 2003 Mitsubishi Lancer Fuse Box Location Wiring  
  2003 Mitsubishi Lancer Engine Diagram Download Mitsubishi Lancer 98 Wiring Diagram Hd Quality  

  Mitsubishi Lancer Evolution 2003. repair manuals download. wiring diagram. Electronic Parts  

  US Lancer Wiring Diagram PDF EvolutionM Mitsubishi Lancer and Lancer Evolution Community  

  55 2003 Mitsubishi Lancer Radio Wiring Diagram Wiring Diagram Plan  
  Wiring Diagram Of Mitsubishi Electrical Wiring Diagram Mitsubishi Lancer / Some mitsubishi  
